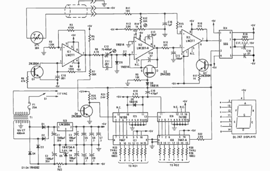
This circuit was found in the September 1977 issue of Radio Electronics magazine. The power supply is included, and the logic used is TTL.
This circuit was obtained from an American 80's documentation. The balanced mixer can be shown in...
This circuit was found in a 90s Electronic Engineering. The quadruple operational amplifier can be...
I found this circuit in an English publication from 1989. This configuration can be mounted with...