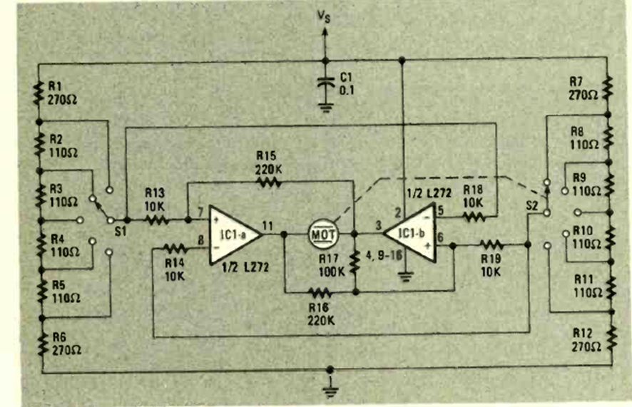
This circuit was found in December 1983 Radio Electronics magazine. The maximum output current is 1 A and the supply voltage ranges from 4 to 28 V.
August 2017 - Mouser Electronics is announcing the availability of TDK ICS-52000 microphones with...
This circuit was obtained from a 1986 Spanish magazine Resistor. The magazine no longer exists, but...
This comparator application circuit was obtained from the June 1986 Radio Electronics magazine. The...