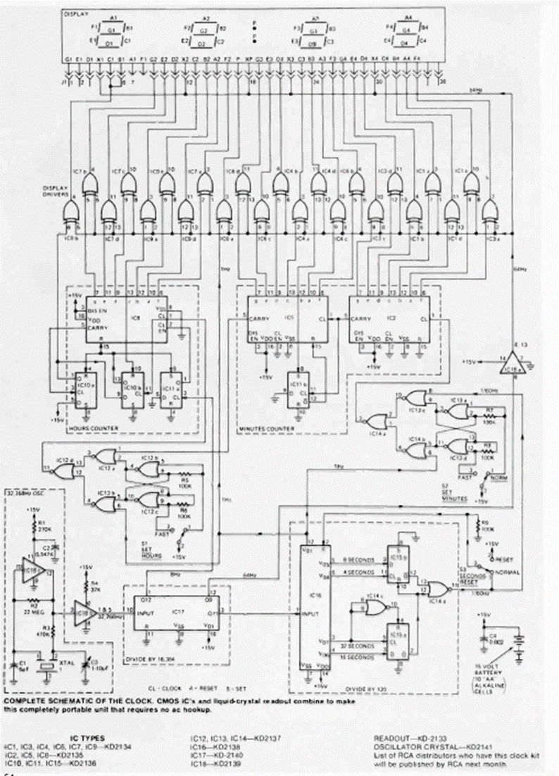
This CMOS logic-based circuit was found in the April 1974 issue of Radio Electronics magazine. The circuit is based on a period display and has hour and minute indications.
Found in an EDN from the 90s, this circuit uses an electret microphone. The output can be used to...
This circuit is characterized by the configuration that accelerates the switching, being ideal for the...
This circuit makes use of a PLL 567 to invert the phase of a signal, ie to change it from 0 to 180...