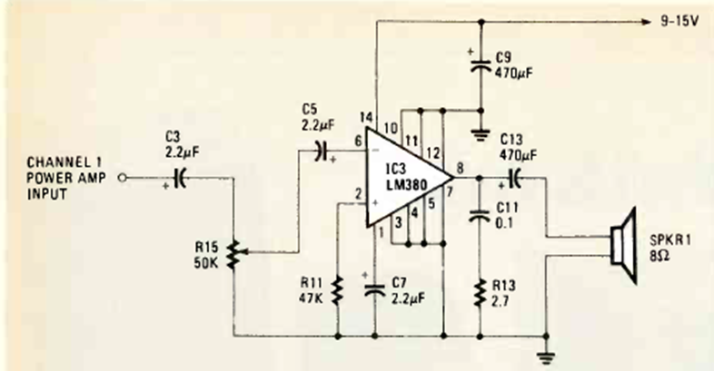
This is another of the circuits with the LM380 that we have in this section. We found it in an article about Walkman amplifiers in the Radio Electronics magazine of March 1986.
Found in an EDN from the 90s, this circuit uses an electret microphone. The output can be used to...
This circuit is characterized by the configuration that accelerates the switching, being ideal for the...
This circuit makes use of a PLL 567 to invert the phase of a signal, ie to change it from 0 to 180...