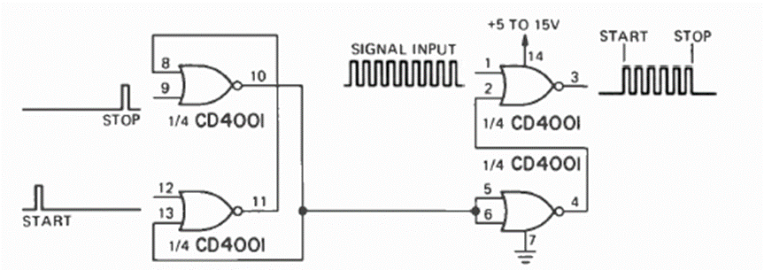
We found this circuit in the October 1974 issue of Radio Electronics magazine. Note the waveforms obtained for the control and controlled signals.
Although it is a common configuration today, these circuits were taken from an old publication. The...
This circuit can be used with any auio amplifier, converting it into a AM receiver. Antenna is a...
This non-inverter circuit was found in a Radio Electronics. It shows the basic configuration of a...