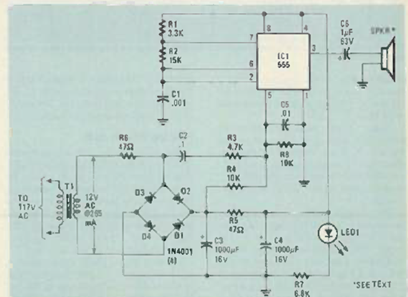
This circuit includes the power supply from the power grid. We found it in Radio Electronics from July 1985. It can still be assembled easily today.
This circuit with an integrated circuit of the time was found in the magazine Radio Electronics of April...
This is a converter stage found in old transistor superheterodyne radios. The circuit is for...
In its original version of a 70s manual, this integrated amplifier, which is uncommon today, was...