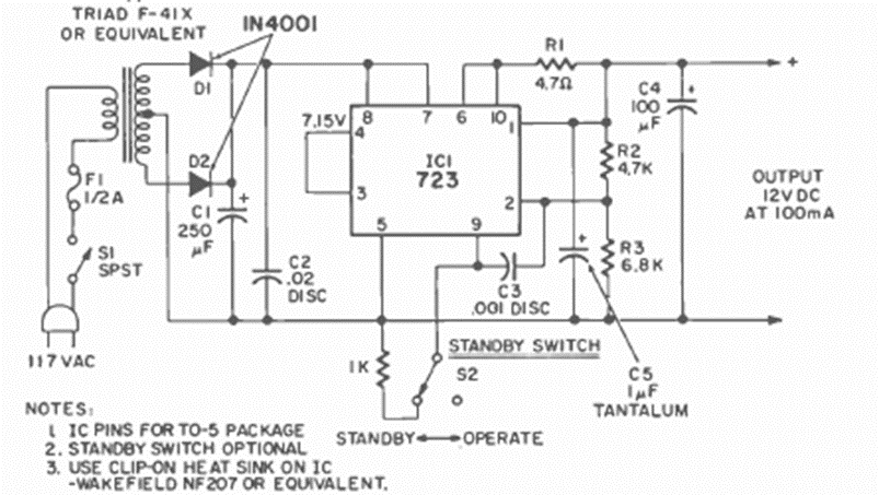
Using the 723 integrated circuit, this power supply has the voltage determined by R2 and R3, which can be changed. The circuit is from a Radio Electronics magazine from July 1971.
Although it is a common configuration today, these circuits were taken from an old publication. The...
This circuit can be used with any auio amplifier, converting it into a AM receiver. Antenna is a...
This non-inverter circuit was found in a Radio Electronics. It shows the basic configuration of a...