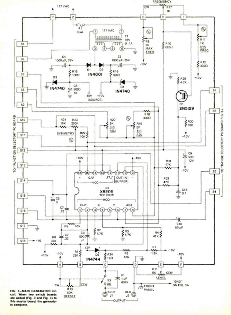
This sophisticated function generator circuit appeared in the September 1972 issue of Radio Electronics magazine. The circuit includes mains power supply.
Although it is a common configuration today, these circuits were taken from an old publication. The...
This circuit can be used with any auio amplifier, converting it into a AM receiver. Antenna is a...
This non-inverter circuit was found in a Radio Electronics. It shows the basic configuration of a...