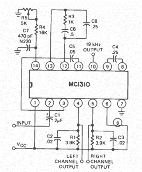
This is the circuit published in the August 1973 issue of Radio Electronics magazine announcing its release. All the details of the new circuit were given in the article, as well as its basic configuration shown below.

This is the circuit published in the August 1973 issue of Radio Electronics magazine announcing its release. All the details of the new circuit were given in the article, as well as its basic configuration shown below.
