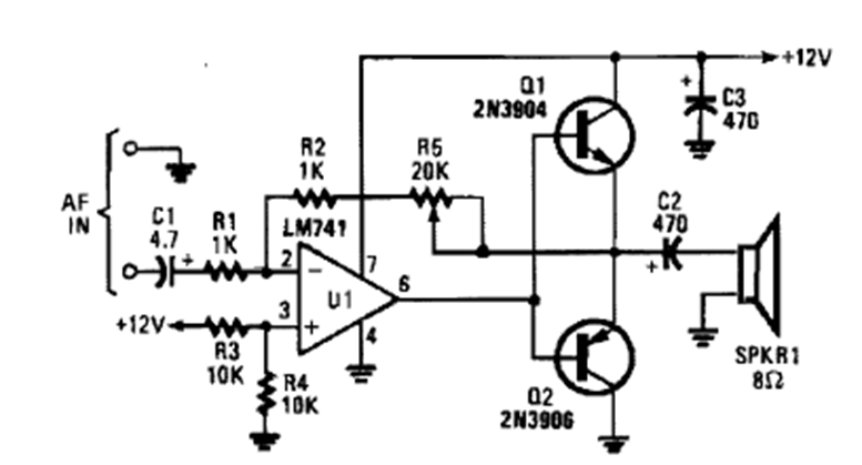
Found in a 1990s Popular Electronics, this circuit uses two transistors to boost the power of a 741 with audio signals. The power depends on the transistors used, which can be general-purpose types.
This circuit was obtained in the publication 101 Electronics Projects of 1979. The circuit can be...
The voltage reference integrated circuit used in this 1980s unit is hard to find today. The power...
Found in a 1967 Electronics World, this circuit uses unusual components today. The transformer has a high...