We found this circuit in Radio Electronics Special Projects from 1992. The circuit turns on the power when the microphone plug is inserted into the input jack.
This circuit converts the voltage from a simple source into a symmetrical voltage. The circuit is from a...
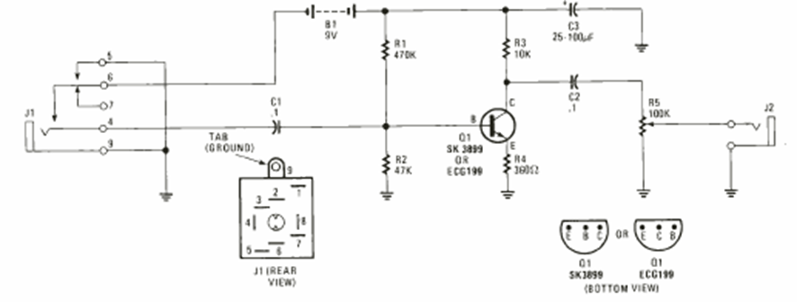
This traditional configuration of a white noise generator that uses the junction of a transistor with a...
A girator reverses the impedance of a signal. Thus, a low impedance signal at the input appears as high...