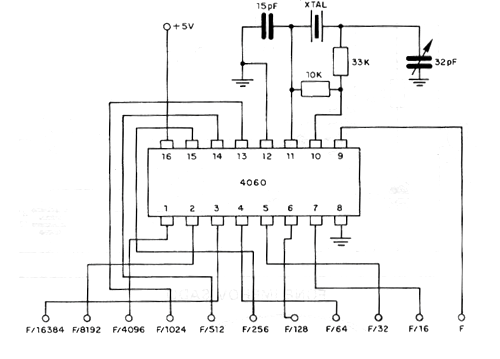
The frequency of a XTAL (up to 1 MHz) can be divided by powers of 2 up to 16,384 using the CMOS IC 4060. This circuit has an internal oscillator that can be commanded by a XTAL, power supply can have voltages in the range between 5 and 15 V.

Oscillator and Divider up to 16,384 using the 4060



