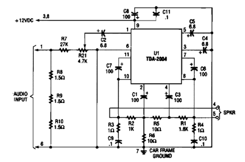
This car audio amplifier was found in a Popular Electronics Hobbyist Handbook from the 1990s. The circuit uses the TDA2004 to boost the car radio output of cars of the time.
This relaxation circuit was found in a 2002 documentation. Several articles dealing with white...
The recommended distance between the emitter and the sensor of this coupler is 15 mm. The circuit is...
We found this test circuit in the November 1999 issue of Electronics Now magazine. The circuit is to be...