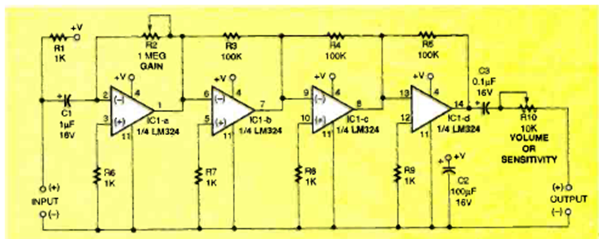
Using the four amplifiers of an LM324 this circuit was found in the June 1996 issue of Electronics Now magazine. The circuit does not require a symmetrical source and has a very high gain, as well as input impedance.
Using the four amplifiers of an LM324 this circuit was found in the June 1996 issue of Electronics Now magazine. The circuit does not require a symmetrical source and has a very high gain, as well as input impedance.