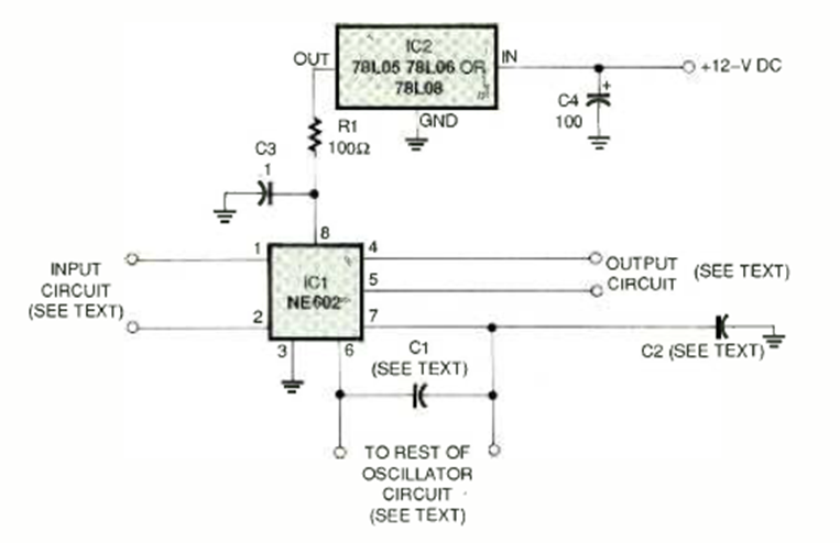
This circuit was found in the February 1997 Electronics Now magazine. The circuit has a power supply for the NE602 and free inputs and outputs for projects.
S-meter is a signal strength meter used in radio transmission. Also known as Strength meter, in this...
This distortion circuit or robot voice was found in a documentation from the year 2000. The...
The amplifier presented is ideal for use in small monophonic sound systems, radios or televisions powered...