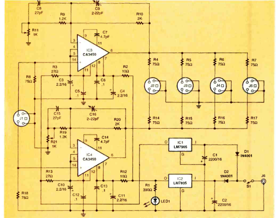
We found this video amplifier with integrated circuits of the time in the magazine Electronics Now of July 1998. The circuit is for analog signals.
S-meter is a signal strength meter used in radio transmission. Also known as Strength meter, in this...
This distortion circuit or robot voice was found in a documentation from the year 2000. The...
The amplifier presented is ideal for use in small monophonic sound systems, radios or televisions powered...