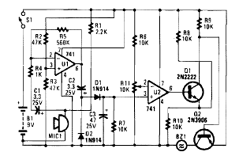
This alarm siren was found in volume 5 of the 1995 Encyclopedia of Electronic Circuits. The circuit powers a buzzer.
S-meter is a signal strength meter used in radio transmission. Also known as Strength meter, in this...
This distortion circuit or robot voice was found in a documentation from the year 2000. The...
The amplifier presented is ideal for use in small monophonic sound systems, radios or televisions powered...