This circuit was found as part of another project in a January 1988 Radio Electronics magazine. The frequencies are given by the timing capacitors.
S-meter is a signal strength meter used in radio transmission. Also known as Strength meter, in this...
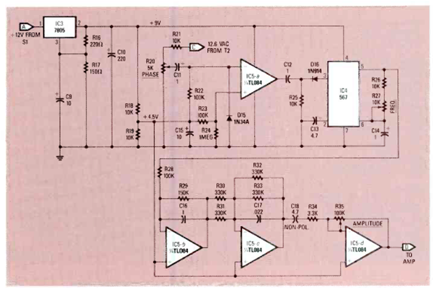
This distortion circuit or robot voice was found in a documentation from the year 2000. The...
The amplifier presented is ideal for use in small monophonic sound systems, radios or televisions powered...