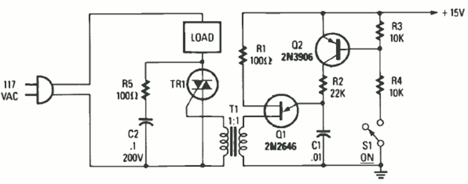
This triac circuit was found in the October 1987 Radio Electronics magazine. The triac is load-dependent and must be mounted on a heat sink.
June 2017 - Mouser Electronics has a broad line of Cree products for use in horticulture, such as...
Based on common operational amplifiers, this circuit was found in Texas Instruments documentation. The power...
This is an old circuit with a feature that most modern oscilloscopes have. We found it in a Radio...