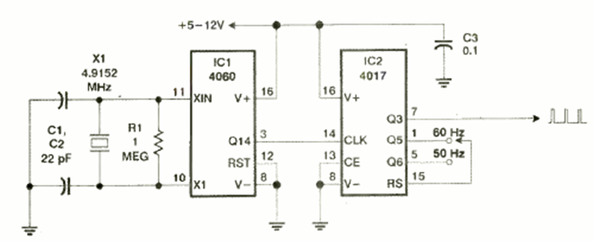
This crystal-based circuit can generate accurate 50 or 60 Hz signals. The circuit is from a November 1998 Electronics Now magazine. The output signal consists of rectangular pulses.
This circuit from Delta Products was published in the May 1974 Radio Electronics magazine. The...
This circuit that uses only transistors that are still common was found in a 1995 documentation. The TIP41...
This new Texas Instruments component consists of an inductive proximity detector that can be used...