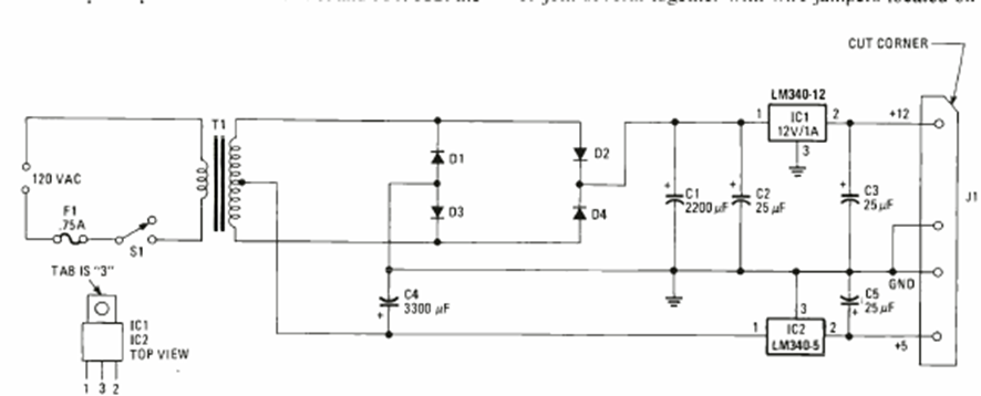
This power supply for those who want to feed and recover 5 ¼ floppy disks was found in the Electronics Experimenter magazine special edition of 1983.
High quality sound can be obtained from this transistor amplifier. The output transistors must be...
This is a conventional triac dimmer configuration found in a 1986 documentation. The triac used is a...
With the use of a cascade transistor, the dynamic response of a phototransistor can be increased, as...