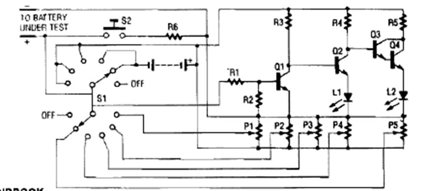
This test circuit was found in the PE Hobbyst Handbook in a 1990s edition. The circuit tests the battery under load. The load, as the battery is selected by the switch.
This simple circuit produces pulses delayed in times set by the resistor in series with C on the...
This circuit was published in the Ideas section of Radio Electronics magazine in August 1983. The...
In the figure we have the receiver of a sequential remote control operating at a frequency in the range of...