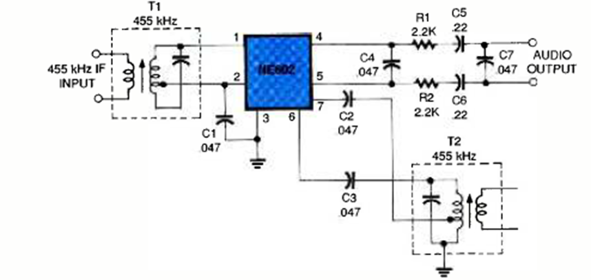
This circuit with the NE602 was found in the February 1997 Electronics Now magazine. The NE602 integrated circuit is not very common these days.
We found this circuit in a 1986 documentation. It is based on TTL integrated circuits that can be...
This circuit was obtained from a 1968 Philips publication. The transistors are of the time. Dual...
This project, found in a 1981 documentation, consists of an interesting adaptation of the test...