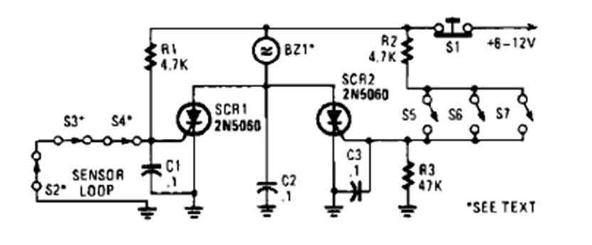
This alarm with sensors in series and parallel was found in the 1995 Encyclopedia of Electronic Circuits. The number of sensors can be changed at will.
The circuit shown in figure 5 generates square signals based on a transconductance operational amplifier...
By adding a transistor to the output and some polarization features we can obtain a higher output...
Found in the 1990 special issue of Radio Electronics Experimenter magazine, this circuit uses an...