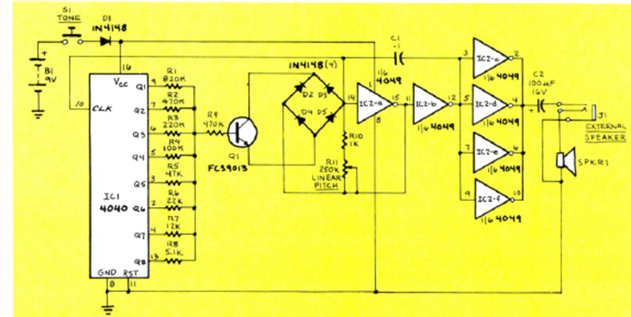
Found in the June 1987 issue of Radio Electronics magazine, this circuit uses well-known CMOS components. The circuit has a CMOS amplifier stage that drives a small speaker.
We found this circuit in a 1986 documentation. It is based on TTL integrated circuits that can be...
This circuit was obtained from a 1968 Philips publication. The transistors are of the time. Dual...
This project, found in a 1981 documentation, consists of an interesting adaptation of the test...