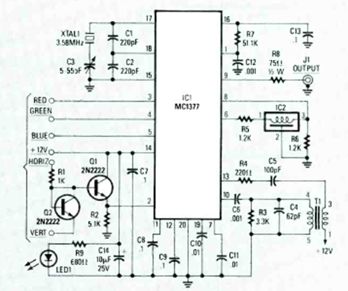
This circuit was found in the 1991 Electronics Experimenters handbook. It can be used to display RGB signals on old NTSC televisions.
This FET voltmeter is from an old 1974 amateur radio publication. The circuit can use MPF102 or...
This indicator was found in a 1974 publication, but it can be fitted with the BC548 transistor or...
This circuit was found in the comparator's own documentation, serving others in the same series. The...