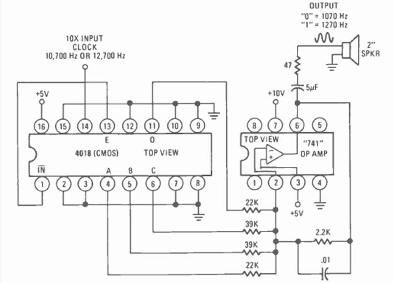
This CMOS generator with the 4018 IC was found in a November 1976 Radio Electronics magazine. It uses a 741 op-amp as the audio amplifier.
The coils of this circuit will determine the transmission frequency of this device. The circuit is from...
This project was described in Radio Electronics from December 1962. The circuit is based on a...
Found in a 90s General Electric documentation, this circuit has a drain current of just 1.5 uA....