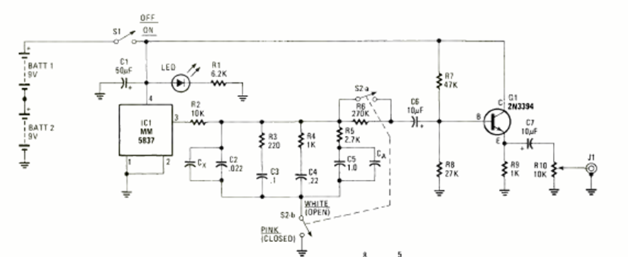
We found this circuit in the Electronics Experimenter Handbook 1983 edition. The circuit uses common components and has several features.
We found this configuration in the Linear Applications Handbook of the National Semiconductor of...
The circuit presented is from the Linear Applications Handbook of the National Semiconductor of...
Using the ULN-3784B this circuit typically supplies 5 W at 24 W. However, it can operate from 9 V....