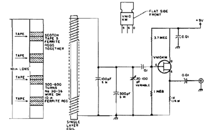
This circuit for the 60 kHz range was found in 73 magazine and published in 1995. The circuit uses a ferrite rod. Note the direction of the coil windings.
This circuit from Delta Products was published in the May 1974 Radio Electronics magazine. The...
This circuit that uses only transistors that are still common was found in a 1995 documentation. The TIP41...
This new Texas Instruments component consists of an inductive proximity detector that can be used...