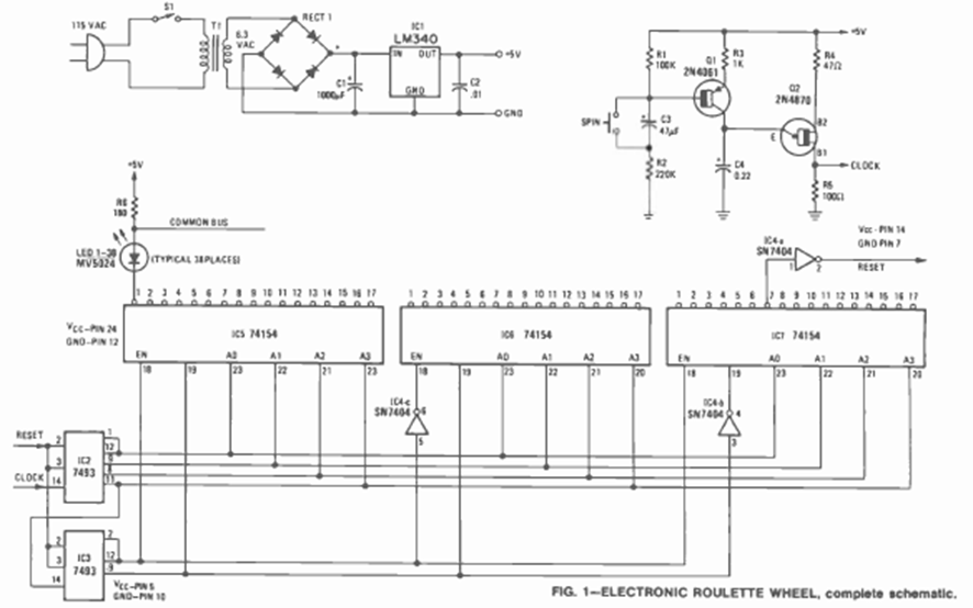
This game with digital logic circuits was found in the December 1976 issue of Radio Electronics magazine. The circuit includes the power supply driving a set of LEDs.
We found this sensitive moisture detector in an old documentation. The circuit uses a common JFET,...
This stethoscope or hearing aid amplifier has excellent gain. It was found in Popular Electronics from...
This transistorized circuit appeared in a Radio Electronics magazine in March 1958. The frequency range...