This circuit is the receiver for the transmitter from the previous project. We also found it in the Radio Electronics Experimenter magazine, 1989 issue.
We found this circuit in a 1967 Japanese technical magazine. The transistors are made of germanium at...
This two-transistor radio was found in a Japanese publication from the 1960s, with no information on the...
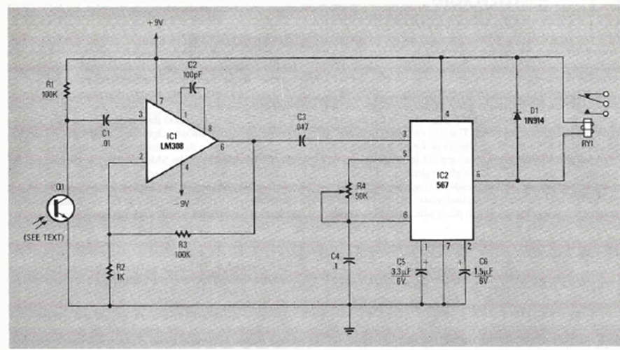
The purpose of this circuit is used in communications and to respond to signals that are in the 2...