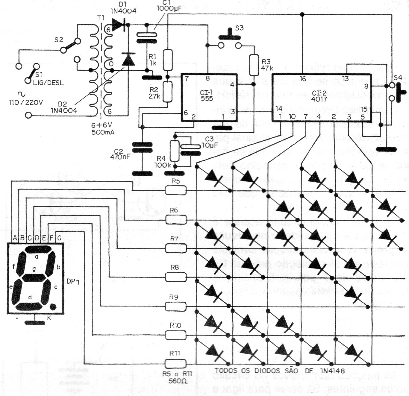
This is one of the many electronic dice that the reader can find on this site. The difference is that it generates the number drawn from 1 to 6 in a display of seven segments of common cathode. The circuit uses components still common in the market and is powered by a small source already included in the design.




