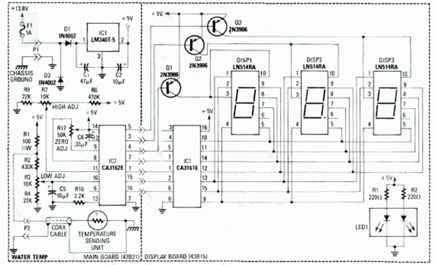
Using a pair of period A/D converters, this 3-digit circuit was found in the 1992 Radio Electronics Experimenter magazine. The sensor is a thermistor.
This simple circuit produces pulses delayed in times set by the resistor in series with C on the...
This circuit was published in the Ideas section of Radio Electronics magazine in August 1983. The...
In the figure we have the receiver of a sequential remote control operating at a frequency in the range of...