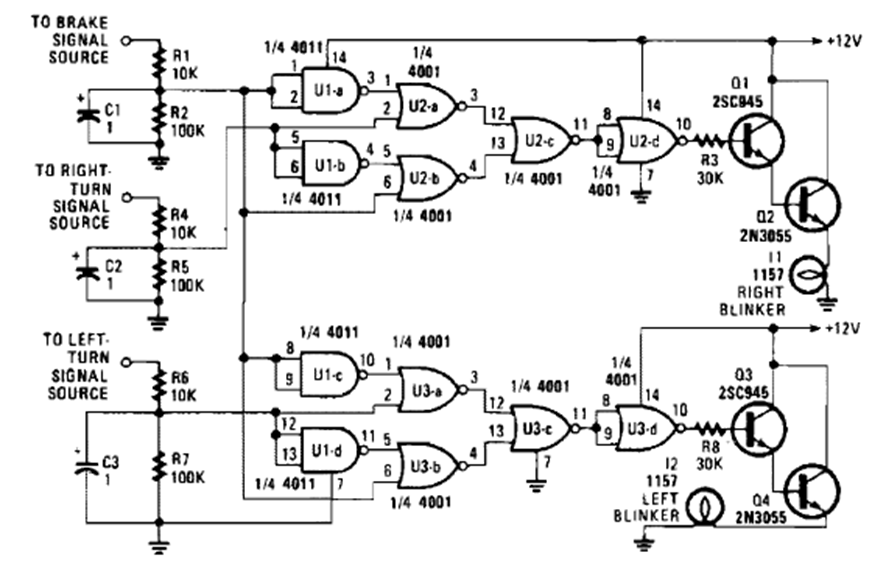
This circuit for cars of the time was found in a Popular Electronics magazine from the 90s. The circuit is based on CMOS logic that is common even today.
This circuit is from a Japanese magazine of 1973. The circuit is designed to withdraw the power...
This is an interesting sound effects circuit that uses only discrete components. Components are common...
This circuit causes a green LED to light up when we step on the brakes and the rear lamps to light...