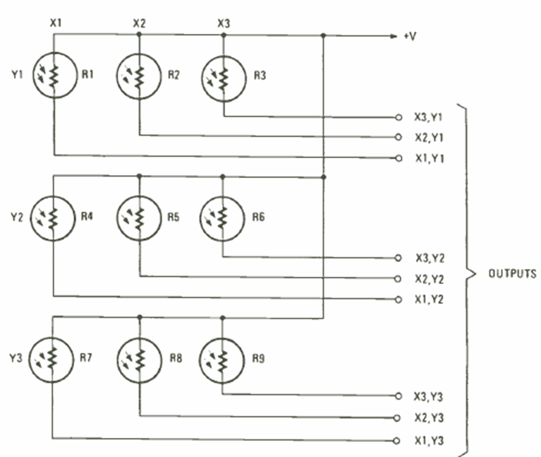
This 9-pixel circuit has been implemented with 9 LDRs and can be coupled to a processing system for an elementary artificial eye. The circuit is from Radio Electronics, November 1986.
We found this circuit in the April 1978 issue of Radio Electronics magazine. The power supply must...
The frequency and active cycle of this circuit can be adjusted in P1. The LEDs flash alternately at a...
We have already explored this configuration in several articles on this site. This was found in an...