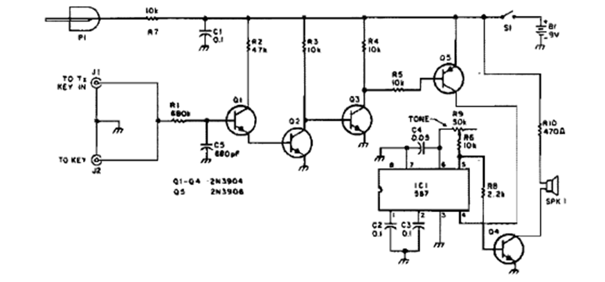
This code practice circuit was found in a 1990s issue of Radio Amaterur Today magazine. It produces an audio tone with the 555.
We found this circuit in the April 1978 issue of Radio Electronics magazine. The power supply must...
The frequency and active cycle of this circuit can be adjusted in P1. The LEDs flash alternately at a...
We have already explored this configuration in several articles on this site. This was found in an...