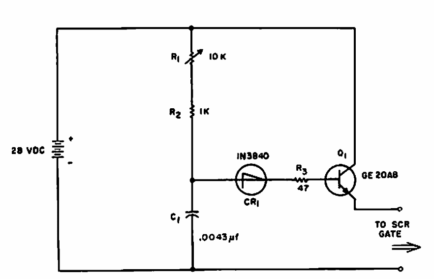
This simple SCR trigger was found in a 1965 General Electric SCR manual. The circuit makes use of a diac, and the transistor supports an equivalent.
We found this circuit in the April 1978 issue of Radio Electronics magazine. The power supply must...
The frequency and active cycle of this circuit can be adjusted in P1. The LEDs flash alternately at a...
We have already explored this configuration in several articles on this site. This was found in an...