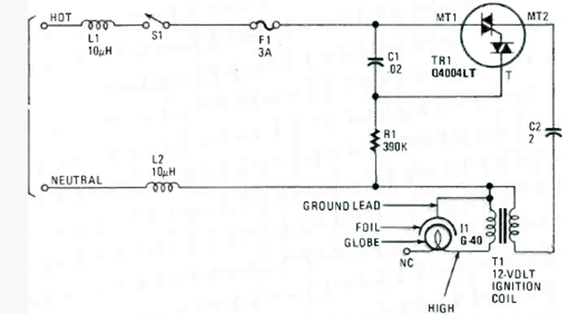
We found this circuit in a Radio Electronics Experimenter from 1990. The circuit uses a common incandescent bulb and a car ignition coil.
This 100 kHz crystal oscillator was found in American documentation from the 1980s. The JFET can...
Found in American documentation from the 90s, this circuit makes use of common components. The load must...
This circuit was found in the 1994 Linear Application Handbook by National Semiconductor. The...