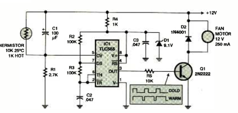
Found in the February 1997 Electronics Now magazine, this circuit controls motors according to the transistor used. For the transistor indicated, the maximum current is 200 mA.
This circuit can modulate a laser rate at frequencies of 50 kHz. We found the old documentation. The bipolar...
This circuit was found in the May 1984 issue of Radio Electronics magazine. It analyzes the...
This circuit can be used as a signal when powered by a car battery, as it also works with 12 V, or...