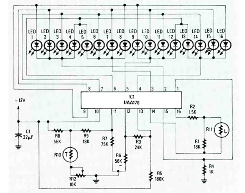
Other versions exist on this site from various publications. This one is from the Radio Electronics Experimenter from 1990. The bargraph circuit uses the UAA170.
We found this setting in the National Semiconductor Linear Applications Handbook. The base is an...
This conventional flip-flop configuration with two transistors was found in documentation from the...
This circuit is intended to monitor the flame of gas heating systems that must always have a small...