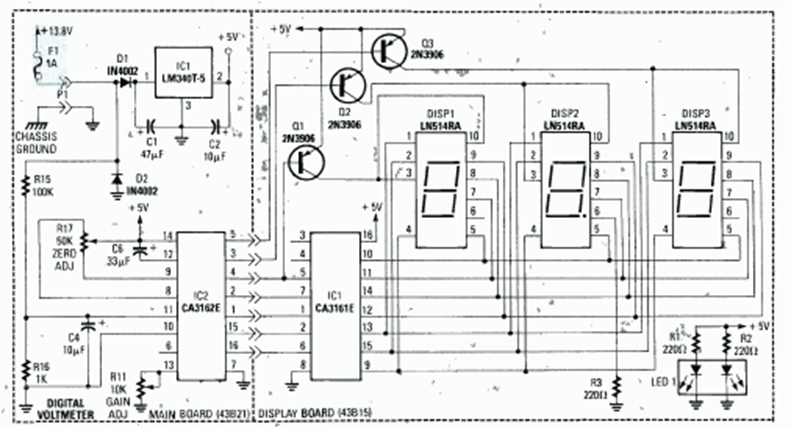
This 3-digit circuit was found in the 1992 special edition of the Radio Electronics Handbook. The circuit produces a standard voltage for bench testing.
This circuit uses an old National Semiconductor operational amplifier, but it can be implemented with...
In this circuit the regulation is made from a circuit in the LED cathode. The configuration is...
For the component values used in thisf this circuit, the frequency can be adjusted between 740 Hz and...