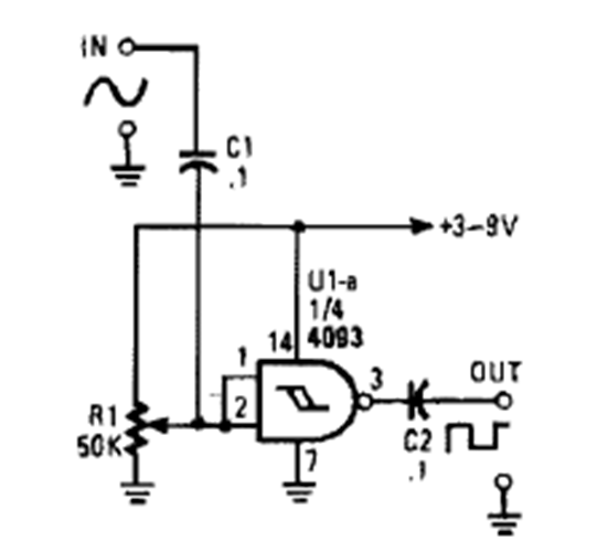
Found in a Popular Electronics from the 90s, this circuit operates up to about 5 MHz input.
Found in the April 1998 Electronics Now magazine, this circuit controls loads that rely on the...
This circuit was obtained from an English magazine from 1976. What this circuit does is start from...
This battery status indicator was found in American documentation from the 1980s. The integrated circuit...