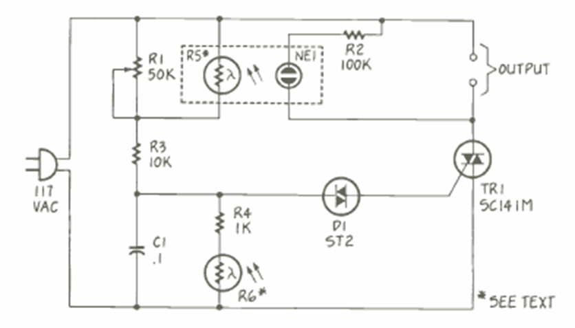
This circuit controls an external light that turns on at dusk and off in the morning. The circuit is from a Radio Electronics from October 1987.
Found in the April 1998 Electronics Now magazine, this circuit controls loads that rely on the...
This circuit was obtained from an English magazine from 1976. What this circuit does is start from...
This battery status indicator was found in American documentation from the 1980s. The integrated circuit...