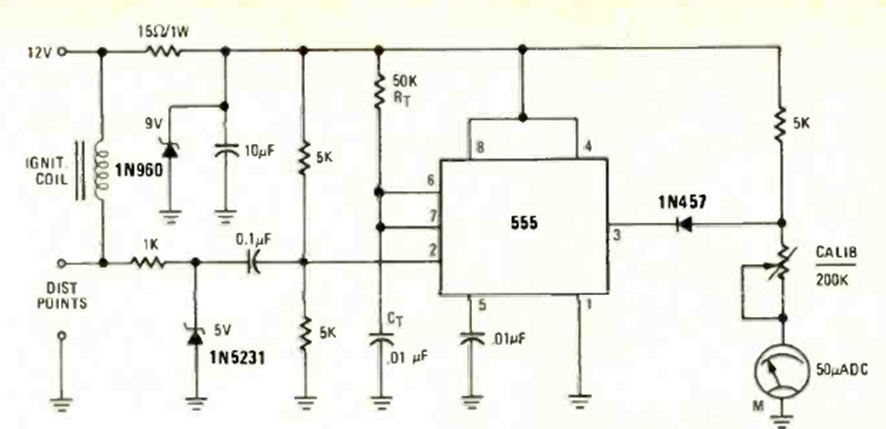
Another of the many tachometer circuits we have on our site. This one is from the September 1976 Radio Elecronics magazine. The circuit is connected to the platinum contacts of a car or to a sensor.
This rev counter, which can be used in a car or engine, was found in a French magazine Radio Plans...
Using a window comparator, this circuit trips over a certain range of input voltages. Formulas for...
This circuit generates a signal rich in harmonics that extends up to close to 1 GHz, serving for...