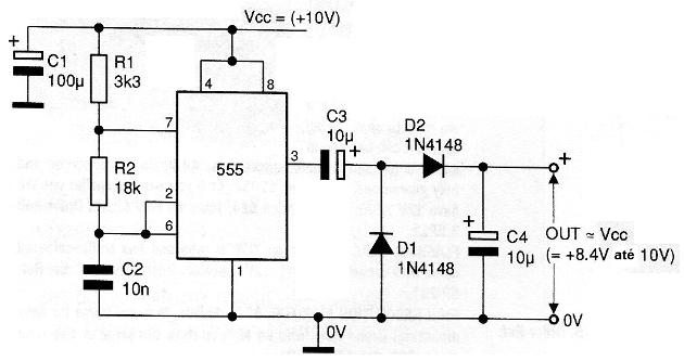
This traditional doubler configuration with the 555 can be found in other articles on the author’s site. This is from a 1998 documentation. The output voltage is almost double the input voltage up to a maximum of 15 V. The current is very low, on the order of a few tens or hundreds of microampers. The circuit is suitable for very low power applications.




