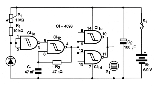
The circuit shown in the figure can be used to detect the operation of infrared sources whose emission spectrum is within the sensitivity of the sensor used. The sensor can be a common photo-diode or even a photo-transistor that can detect infrared radiation from LEDs and other emitters. When the signal is received with sufficient intensity to switch the CI-1a port its output goes to the high level by bringing the oscillator formed by the CI-1b port into action. The frequency of the reproduced signal depends on C1 and R3 (which can be changed). The signal applied to the other two ports, which function as digital amplifiers, is reproduced by a piezoelectric transducer.
Infrared Detector (CB1560E )
- Details
- Written by: Newton C. Braga



