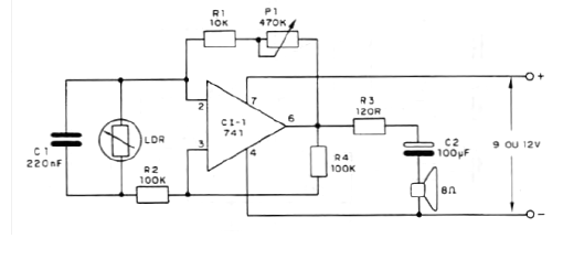
This circuit can be using in demonstration to teach how light sensor, such as the LDR, can be used. Gain is adjusted by P1 and the circuit produces a tone by the loudspeaker according the light falling onto the sensor. The circuit can be powered from 9 to 12 V supplies. Any LDR can be used in the project.

Light Alarm



