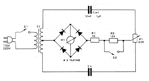
You can measure capacitances across a large range of values using the AC Power line frequency as signal source. The transformer is a 6 + 6 V type with any current between 100 and 300 mA. M1 is a galvanometer with 200 µA of full scale. P1 has a scale of capacitances reach with the use of known capacitors.




