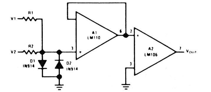
We found this circuit in an old American documentation. The configuration can be elaborated with modern comparator and operational, including types that operate at low voltages. The power supply must be symmetrical.
We found this circuit in an old American documentation. The configuration can be elaborated with modern comparator and operational, including types that operate at low voltages. The power supply must be symmetrical.