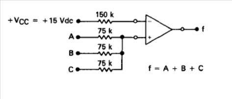
The circuit presented emulates an OR gate with the LM3900, operational transconductance amplifier. The circuit is from the 1990 Motorola Linear Databook.

CB4032Egf
The circuit presented emulates an OR gate with the LM3900, operational transconductance amplifier. The circuit is from the 1990 Motorola Linear Databook.

CB4032Egf